Chování toho mého kusu opravdu nedává smysl. Stále si matně vzpomínám, že někdo (snad willcz??) tu nebo na MP popisoval podobný problém, ale nepodařilo se mi to dohledat.yolo80 píše: ↑pon kvě 02, 2022 9:12 am Problem vidim v tomto:
Přiložím-li napětí na AR+AN, ale na BR+BN není napětí a je přepnutý na B, tak se na A nepřepne (slyšitelný klik, ale bez přepnutí)
Moj funguje tak ze ak prilozim napetie na AR+AN tak prepne vstup A, BR+BN prepne vstup B, ake je napatie na AR+AN a zaroven BR+BN tak je zapnuty vstup A. Ja som svoj prerabal tak aby nebral ziadny prud, prud potrebuje len na prepnutie a potom je odber 0.
Wallbox samodomo
Re: Wallbox samodomo
Re: Wallbox samodomo
Já mám sice generátor/síť, takže jiný obrázek. Mám dva kusy které se chovají stejně správně.
Na generátor (spodní) mám trvale napětí, spotřeba jen na ledku, a ten vstup sítě(horní) spínám na vytěžování, takže mi to funguje správně podle obrázku.
Na generátor (spodní) mám trvale napětí, spotřeba jen na ledku, a ten vstup sítě(horní) spínám na vytěžování, takže mi to funguje správně podle obrázku.
3,6kWp GWL Poly + 8,82kWp Canadian Mono, 3x PIP4048MS, 5x80P14S = 5600Cells 18650 (~900Ah/47kWh)
Elektrárna: https://emoncms.trenet.org/dashboard/view?id=3
TČ: https://emoncms.trenet.org/dashboard/view?id=21
Elektrárna: https://emoncms.trenet.org/dashboard/view?id=3
TČ: https://emoncms.trenet.org/dashboard/view?id=21
Re: Wallbox samodomo
Tyhle prepinace se prodavaji ve dvou typech, ktere se lisi obrazkem:
sit + generator = prioritu ma vzdy sit
sit + fve = prioritu ma vzdy fve
Chovani toho kusu co ma marsal ukazuje na to, ze je rozbitej nebo zmetek. Asi bych poridil druhej a tenhle rozpitval v zajmu vedy.
sit + generator = prioritu ma vzdy sit
sit + fve = prioritu ma vzdy fve
Chovani toho kusu co ma marsal ukazuje na to, ze je rozbitej nebo zmetek. Asi bych poridil druhej a tenhle rozpitval v zajmu vedy.

Re: Wallbox samodomo
To je pravda, je z toho důležitý hlavně ten bistabilní dvoucívkový silový kontakt. Ale bacha nečekejte po něm štítkové parametry
se spínáním počítačového zdroje (moderního 1kW) má docela problém, je to na něm vidět.

3,6kWp GWL Poly + 8,82kWp Canadian Mono, 3x PIP4048MS, 5x80P14S = 5600Cells 18650 (~900Ah/47kWh)
Elektrárna: https://emoncms.trenet.org/dashboard/view?id=3
TČ: https://emoncms.trenet.org/dashboard/view?id=21
Elektrárna: https://emoncms.trenet.org/dashboard/view?id=3
TČ: https://emoncms.trenet.org/dashboard/view?id=21
Re: Wallbox samodomo
Já to nebyl, takovou věc doma vůbec nemámmarsal píše: ↑pon kvě 02, 2022 9:29 amChování toho mého kusu opravdu nedává smysl. Stále si matně vzpomínám, že někdo (snad willcz??) tu nebo na MP popisoval podobný problém, ale nepodařilo se mi to dohledat.yolo80 píše: ↑pon kvě 02, 2022 9:12 am Problem vidim v tomto:
Přiložím-li napětí na AR+AN, ale na BR+BN není napětí a je přepnutý na B, tak se na A nepřepne (slyšitelný klik, ale bez přepnutí)
Moj funguje tak ze ak prilozim napetie na AR+AN tak prepne vstup A, BR+BN prepne vstup B, ake je napatie na AR+AN a zaroven BR+BN tak je zapnuty vstup A. Ja som svoj prerabal tak aby nebral ziadny prud, prud potrebuje len na prepnutie a potom je odber 0.
9,8 kWp Poly + Tigo, 3x XTM4000, 2x VT65, 1x VT80, 8x Pylon US3000B + paralelne k tomu 15S LiFe 360Ah s Batrium BMS
Re: Wallbox samodomo
Tak nevím, objednal jsem alternativu u konkurenčního Ali prodejce, ale nějak k tomu ztrácím důvěru a pošilhávám po něčem jako https://www.emas.cz/lc2dt32bd-p-sty-u-pro-prep-site-32a. Cenový rozdíl je ovšem omračující, tak to nejspíš vyhraje kodlův stykačomat se západkou. Na tom čínském přepínači mne odrazuje malý "zaručený" počet sepnutí (1000). Doma ho mám, ale po záběhu FVE, kdy byl v provozu relativně často, nyní nepřepíná prakticky vůbec - přepínání mi zajišťuji Studery, čínský přepínač se ve FVE uplatní jen v nějakých havarijních stavech typu přetížení, které ale nenastává. Ve wallboxu se přepínat čas od času řízeně bude.
-
- Příspěvky: 339
- Registrován: stř zář 08, 2021 10:40 am
- Bydliště: za Berounem
- Výkon panelů v FVE [Wp]: 5000
- Kapacita baterie [kWh]: 12
Re: Wallbox samodomo
Mám doma v krabičce ATS od Tomzn s obrázkem FV. Snad si večer vzpomenu a otestuju.
mobilní elektrárna (VW California): 290Wp mono, Winston 12V/130Ah, Victron MPPT 75/15, Victron inverter 250VA, Victron charger 20A. Orion 30A
domácí elektrárna "ETERNIT": FV 5kWp, LiFePO4 48V/120Ah+120Ah, Axpert King 48/5000
domácí elektrárna "ETERNIT": FV 5kWp, LiFePO4 48V/120Ah+120Ah, Axpert King 48/5000
Re: Wallbox samodomo
Otestuješ-li, bude to prima.
Já jsem se mezitím rozhodl, že do wallboxu si tu čínu nedám, díval jsem se chvíli dovnitř a např. ty rozpínací mikrospínače napájené "ve vzduchu" na plošáku na mne nejsou. Ani jsem už nepokračoval v pátrání, případnému zájemci můžu darovat, pište SZ nebo dovezu na sraz.
Do wallboxu půjde dvojice navzájem mechanicky blokovaných stykačů. U kusu, který mám (Schneider, popis LC2DT257P7 na štítku, LC1DT25 na krabičce...), má cívka jednono stykače spotřebu 6W a druhého 9W. To se mi úplně nelíbí, takže (pokud rozumím dobře) to půjde vylepšit dvěma kusy https://www.emas.cz/schneider-lad6k10m- ... 0-220-240v, ve stylu http://forum.mypower.cz/viewtopic.php?f ... kou#p37436.
Vzájemné mechanické blokování stykačů už tato dvojice má.
Nemáte oprávnění prohlížet přiložené soubory.
Re: Wallbox samodomo
Marshale neverim ze to ma 10 w prikon prosimte urcite to bude jalovy resp magnetizacni proud do civky.
Je to stejne u stridacu. Stridac ma na vstupu filtracni kondy a bud rovnou civku stykace a nebo ty kondy. No a ty proste odebiraji jalovinu ..
Prosimte muzes napsat jaky jsi zmeril proud? A dale jak jsi spocital vykon? Ona civka stykace je totiz i lnduktivni zatez .
Doufam ue ve vypoctu vykonu jsi pouzil P =U x I x cosfí
Stykace mivaji obecne cinny proud velmi maly ale jalovina prevlada.
Dekuji za objasneni. A zdravim Te kolega Vitek
Je to stejne u stridacu. Stridac ma na vstupu filtracni kondy a bud rovnou civku stykace a nebo ty kondy. No a ty proste odebiraji jalovinu ..
Prosimte muzes napsat jaky jsi zmeril proud? A dale jak jsi spocital vykon? Ona civka stykace je totiz i lnduktivni zatez .
Doufam ue ve vypoctu vykonu jsi pouzil P =U x I x cosfí
Stykace mivaji obecne cinny proud velmi maly ale jalovina prevlada.
Dekuji za objasneni. A zdravim Te kolega Vitek
Re: Wallbox samodomo
Ak by to aj hneď bolo 10W, pri nabíjaní euta by som takú "stratu" osobne neriešil.
Malá inšpirácia pri tvorbe "Wallboxu samodomo". Milo ma prekvapili na kolibe pri Ružomberku, kde sa dá nielen najesť, ale aj nabiť: Škoda že som tam bol som tam bol služobným fosiložrútom. Od ovečky som ešte nikdy nedobíjal.
Malá inšpirácia pri tvorbe "Wallboxu samodomo". Milo ma prekvapili na kolibe pri Ružomberku, kde sa dá nielen najesť, ale aj nabiť: Škoda že som tam bol som tam bol služobným fosiložrútom. Od ovečky som ešte nikdy nedobíjal.

Nemáte oprávnění prohlížet přiložené soubory.
Prajem všetkým veľa slnka!
Robo /bert/
Robo /bert/
Re: Wallbox samodomo
Jasně, že jsem neměřil jen proud, využil jsem "cosi do zásuvky", co měří (doufám) činný výkon, ač o přesnosti si iluze nedělám.
Tomu, že to spotřebovává jednotky W ale bohužel odpovídá i zahřívání stykače (zcela bez spínaného proudu).
Re: Wallbox samodomo
Ok diky za upresneni. 

-
- Příspěvky: 339
- Registrován: stř zář 08, 2021 10:40 am
- Bydliště: za Berounem
- Výkon panelů v FVE [Wp]: 5000
- Kapacita baterie [kWh]: 12
Re: Wallbox samodomo
Omlouvám se za zpoždění...
Mám TOMZN TOQ5-100PV/3.
Funguje je to tak, že pripritně přepíná na vstup "I" (FV) s cca 1sec zpožděním.
Na vstup "II" (grid) přepně okamžitě, když není napětí na FV.
To 1 sec zpoždění tam je i když vstup "II" (grid) je bez napětí.
Ze studijním důvodů jsem to otevřel a úplně nadšený z toho nejsem.
- Je tam jedno PCB vložené úplně volně. Že tam nemůže dojít ke zkratu bych si nebyl úplně jistý.
- podržel jsem jeden kontakt (simulace přilepení) a čekal jsem, že se to nepřepne. Ale chyba - z toho "přilepeného" kontaktu vyskočila pružinka a ty ostatní se přepnuly.
..tak vám pěkně děkuju za zkažení iluzí.

mobilní elektrárna (VW California): 290Wp mono, Winston 12V/130Ah, Victron MPPT 75/15, Victron inverter 250VA, Victron charger 20A. Orion 30A
domácí elektrárna "ETERNIT": FV 5kWp, LiFePO4 48V/120Ah+120Ah, Axpert King 48/5000
domácí elektrárna "ETERNIT": FV 5kWp, LiFePO4 48V/120Ah+120Ah, Axpert King 48/5000
Re: Wallbox samodomo
Sám podobné udělátko (čínský ATS) také používám, a přijde mi, že nejlepší by asi bylo, kdyby sme to už všichni hodili na smeťák. Dřív, než někdo z nás vyhoří.
Z těch levnějších řešení se mi zatím nejvíce zamlouvá to, jak to ve svém příbytku vyřešila a na svém blogu popsala Vata.
- Má tam časové relé
- mechanické blokování
- a pravděpodobně to ani nemá nijak závratnou vlastní spotřebu, protože to by si zrovna ona líbit nenechala
Máte to někdo také postavené?
Byla by soupiska objednacích čísel všech komponent?
Vleze se to do rozvaděče s maskou, nebo pomocné kontakty stykačů lezou hodně přes?
https://vati.cz/fve-2-rozsireni/ (originální popis funkce zde)
Z těch levnějších řešení se mi zatím nejvíce zamlouvá to, jak to ve svém příbytku vyřešila a na svém blogu popsala Vata.
- Má tam časové relé
- mechanické blokování
- a pravděpodobně to ani nemá nijak závratnou vlastní spotřebu, protože to by si zrovna ona líbit nenechala
Máte to někdo také postavené?
Byla by soupiska objednacích čísel všech komponent?
Vleze se to do rozvaděče s maskou, nebo pomocné kontakty stykačů lezou hodně přes?
https://vati.cz/fve-2-rozsireni/ (originální popis funkce zde)
Nemáte oprávnění prohlížet přiložené soubory.
Re: Wallbox samodomo
Nevím, myslím, že kodl a spol. to vymysleli dobře, aby to nemělo spotřebu žádnou, viz odkazy v viewtopic.php?p=13055#p13055.
Čekám, až mi dojdou západky, sestavím a dám vědět.
Není to totéž?
Čekám, až mi dojdou západky, sestavím a dám vědět.
Není to totéž?
-
- Příspěvky: 151
- Registrován: pon úno 07, 2022 9:58 pm
- Výkon panelů v FVE [Wp]: 3300
- Kapacita baterie [kWh]: 14
- Kontaktovat uživatele:
Re: Wallbox samodomo
Jo, tenhle přepínač jede už leta, žádné problémy, a že už za tu dobu řešil přepínání ve vypjatých situacích (zejména indukční zátěží přetížený měnič). Obávám se, že Schrack už ty stykače v nabídce nemá - ve starších katalozích se to ale dá najít pod těmi čísly jak na schematu. Stykače jsou hodně vysoké, do běžného rozvaděče se vlezly za cenu upižlání masky lupínkovou pilkou, zavřít dvířka rozvaděče ale lze. Vlastní spotřebu tvoří jen cívka jednoho sepnutého stykače, u těch použitých stykačů to ale nebylo moc, byly nejslabší z té řady. Vlastní spotřeba toho přepínače je nepoměrně malá vůči konverzní ztrátě na měniči. Ovšem je fakt, že zrovna v mé realizaci není měřená - resp. dala by se odvodit z rozdílu hlavního a podružných elektroměrů.Youda píše: ↑čtv kvě 12, 2022 10:11 am Sám podobné udělátko (čínský ATS) také používám, a přijde mi, že nejlepší by asi bylo, kdyby sme to už všichni hodili na smeťák. Dřív, než někdo z nás vyhoří.
Z těch levnějších řešení se mi zatím nejvíce zamlouvá to, jak to ve svém příbytku vyřešila a na svém blogu popsala Vata.
- Má tam časové relé
- mechanické blokování
- a pravděpodobně to ani nemá nijak závratnou vlastní spotřebu, protože to by si zrovna ona líbit nenechala
Máte to někdo také postavené?
Byla by soupiska objednacích čísel všech komponent?
Vleze se to do rozvaděče s maskou, nebo pomocné kontakty stykačů lezou hodně přes?
https://vati.cz/fve-2-rozsireni/ (originální popis funkce zde)
PrepinacSiti.png
Pro pořádek - schema jsem dala dohromady s dalšími lidmi první generace solárníků na MP, pouze iniciace přepnutí na měnič časovým relé je má invence, kterou si původní schema vynutilo (přepnutí na měnič bez toho prostě nefunguje).
Přepínač je hodně rychlý při přepnutí na měnič.Pomalé přepínání je v případě, že je systém v režimu UPS a vypadne DS. Celý proces pak trvá kolem 200ms, než si řídící plc výpadku všime a zapne měnič, který nabíhá rozvážně - teto typ přepnutí působí restart PC
LiFePo 480Ah/24V, východ 900Wp, jih 2400Wp, Victron MPPT 150/100, Tristar TS-60, Victron Smart 3000VA, DC 12V systém Victron Orion, automatizace Valc, monitoring ValcMonitor
Re: Wallbox samodomo
Západky dorazily a udělal jsem první testy. Posdílím se tedy o průběžném stavu řešení.
Připomínám, že pro wallbox potřebuji nikoli automatický přepínač, ale přepínač řízený a chtěl jsem, aby měl nulovou vlastní spotřebu v klidovém stavu. Takže variace na "kodlův stykačomat se západkou":
Materiál:
1x Schneider LC2DT25P7 (EMAS 2438 Kč) – dvojice navzájem mechanicky blokovaných stykačů 25A
2x Schneider LAD6K10M (EMAS celkem 1998Kč) – blok mechanického blokování
2x OEZ tlačítko na DIN lištu
Zapojení:
E1 první západky spojit s A1 druhého (!) stykače a do tohoto bodu přivést přes tlačítko (resp. relé PLC) spínací impuls z L1 FVE
E1 druhé západky spojit s A1 prvního (!) stykače a do tohoto bodu přivést přes tlačíko (resp. relé PLC) spínací impuls z L1 DS
A2 a E2 stykačů a západek propojit na N.
Západka funguje tak, že po spínacím impulsu na E1-E2 západky (podle katalogu 100ms až 10s) západka „uvolní sevření“. Současně s uvolněním tohoto sevření v popsaném zapojení přitahuje druhý stykač, který s sebou stáhne druhou západku (na ní žádné napětí není), ta zapadne a stykač tím zablokuje v sepnuté poloze, i když napětí na cívce stykače po uvolnění tlačítka zmizí.
V okamžiku stisku tlačítka, kdy je aktivní cívka stykače i protilehlé západky, jsem naměřil v jednom případě 24W a v druhém případě 27W. Ve stabilním stavu bez sepnutého tlačítka samozřejmě nic.
Pozor, toto nechat jako konečné zapojení je riskantní. Pokud se stiskou obě tlačítka, sestava kmitá a hrozí poškození západek!!!
Mechanické blokování stykačů zajišťuje, že sítě by se neměly potkat a teoreticky by takový případ při "správném" ovládání nastat neměl. Ale přijde mi riskantní to neošetřit, takže jsou třeba další dvě relé nebo ministykače s NC kontaktem, kterým se rozepne přívod na druhý stykač (a protilehou západku) v případě sepnutí toho prvního. Škoda chybějících pomocných NC kontaktů v dané sestavě, to by věc řešilo, ale myslím, že to u daného Schneidera přidat nejde, nějaké NC stykače mám doma a nic jiného kupovat nechci. Nakonec to snad celé nakreslím...
Výška dvojice stykačů s nasazenou západkou 21cm. Do mé skříně na wallbox se to vejde jentaktak, ale to už je taková moje tradice.
Připomínám, že pro wallbox potřebuji nikoli automatický přepínač, ale přepínač řízený a chtěl jsem, aby měl nulovou vlastní spotřebu v klidovém stavu. Takže variace na "kodlův stykačomat se západkou":
Materiál:
1x Schneider LC2DT25P7 (EMAS 2438 Kč) – dvojice navzájem mechanicky blokovaných stykačů 25A
2x Schneider LAD6K10M (EMAS celkem 1998Kč) – blok mechanického blokování
2x OEZ tlačítko na DIN lištu
Zapojení:
E1 první západky spojit s A1 druhého (!) stykače a do tohoto bodu přivést přes tlačítko (resp. relé PLC) spínací impuls z L1 FVE
E1 druhé západky spojit s A1 prvního (!) stykače a do tohoto bodu přivést přes tlačíko (resp. relé PLC) spínací impuls z L1 DS
A2 a E2 stykačů a západek propojit na N.
Západka funguje tak, že po spínacím impulsu na E1-E2 západky (podle katalogu 100ms až 10s) západka „uvolní sevření“. Současně s uvolněním tohoto sevření v popsaném zapojení přitahuje druhý stykač, který s sebou stáhne druhou západku (na ní žádné napětí není), ta zapadne a stykač tím zablokuje v sepnuté poloze, i když napětí na cívce stykače po uvolnění tlačítka zmizí.
V okamžiku stisku tlačítka, kdy je aktivní cívka stykače i protilehlé západky, jsem naměřil v jednom případě 24W a v druhém případě 27W. Ve stabilním stavu bez sepnutého tlačítka samozřejmě nic.
Pozor, toto nechat jako konečné zapojení je riskantní. Pokud se stiskou obě tlačítka, sestava kmitá a hrozí poškození západek!!!
Mechanické blokování stykačů zajišťuje, že sítě by se neměly potkat a teoreticky by takový případ při "správném" ovládání nastat neměl. Ale přijde mi riskantní to neošetřit, takže jsou třeba další dvě relé nebo ministykače s NC kontaktem, kterým se rozepne přívod na druhý stykač (a protilehou západku) v případě sepnutí toho prvního. Škoda chybějících pomocných NC kontaktů v dané sestavě, to by věc řešilo, ale myslím, že to u daného Schneidera přidat nejde, nějaké NC stykače mám doma a nic jiného kupovat nechci. Nakonec to snad celé nakreslím...
Výška dvojice stykačů s nasazenou západkou 21cm. Do mé skříně na wallbox se to vejde jentaktak, ale to už je taková moje tradice.
Nemáte oprávnění prohlížet přiložené soubory.
Re: Wallbox samodomo
Skouknul by prosím někdo elektrikářsky mocnější tento návrh?
Díky moc.
Začal jsem to mimochodem kreslit v kicadu, ale na toto kicad opravdu není to pravé ořechové. Takže na tohle QElectroTech.
Díky moc.
Začal jsem to mimochodem kreslit v kicadu, ale na toto kicad opravdu není to pravé ořechové. Takže na tohle QElectroTech.
Nemáte oprávnění prohlížet přiložené soubory.
Re: Wallbox samodomo
je ti jasný, že musíš zajistit jenom impulzy? A co když blbec stiskne obě tlačítka zároveň? A nevím, proč vymejšlíš vymyšlený.
Ještě kontrolní otázka: jak to bude fungovat, když odpadne sykač jedna a ještě nesepne stykač dva, když jsou napájený napětím za kontakty stykačů, který tam nebude??? asi perpetum mobile... Tohle je důvod, proč mám ovládání na 48V DC... Baterku nevypneš.
A když pohledáš, najdeš i správný zapojení těch cívek stykačů i západek.
https://forum.mypower.cz/download/file.php?id=3531
Neměl bys pustit impouls do cívky, která je v té chvíli ještě mechanicky blokovaná, druhým stykačem, ten impuls tam má přijít až ve chvíli, kdy ten druhej stykač odpadne... Jenom nevím, když jsi je koupil na 230V AC, jak jim zajistíš napětí. Asi z UPS...
A nebo začneš u práce přemejšlet: https://forum.mypower.cz/download/file.php?id=3532 ale nemám to odzkoušený, možná tam je ten problém elektrické nedostatečnosti taky
není potřeba žádnej signál z PLC, stačí napětí z měniče. Další AC vstup je rezerva pro připojení DS, a hlídání přítomnosti napětí, pro případnou funkci UPS, zatím nezapojeno.Ještě kontrolní otázka: jak to bude fungovat, když odpadne sykač jedna a ještě nesepne stykač dva, když jsou napájený napětím za kontakty stykačů, který tam nebude??? asi perpetum mobile... Tohle je důvod, proč mám ovládání na 48V DC... Baterku nevypneš.
A když pohledáš, najdeš i správný zapojení těch cívek stykačů i západek.
https://forum.mypower.cz/download/file.php?id=3531
Neměl bys pustit impouls do cívky, která je v té chvíli ještě mechanicky blokovaná, druhým stykačem, ten impuls tam má přijít až ve chvíli, kdy ten druhej stykač odpadne... Jenom nevím, když jsi je koupil na 230V AC, jak jim zajistíš napětí. Asi z UPS...
A nebo začneš u práce přemejšlet: https://forum.mypower.cz/download/file.php?id=3532 ale nemám to odzkoušený, možná tam je ten problém elektrické nedostatečnosti taky

Nemáte oprávnění prohlížet přiložené soubory.
Polostrovní FVE 8 kWp na severu jižní moravy. multiplus II 5000, osvětlení na DC, MPPT od Victronu. Dyibms na lifepo4 baterkách.
Re: Wallbox samodomo
Díky hlavnímu inspirátorovi konstrukce, trochu jsi mne překvapil tím, že to nemáš odzkoušené, co jsi odkazoval 
EDIT: řešitelné s drátem navíc :-/ - holt tam dovedu napájení z automatického přepínače sítí mezi měničem a rozvaděčem domu, tj. de facto L1, která jde do domu (jojo, tam mám pořád tu čínu, ale už snad půl roku nepřepínala). To, jak jsem to nakreslil původně, by mohlo znamenat i blbnutí EVSE kitu.

Ano, max 10s, mělo by ale tedy stačit oněch 100ms
Na to jsem tam přidával ta relé s NC kontakty, to je ošetřeno
Já to právě z PLC řídit chci, např. ve stylu "teď rychle nabij ze sítě, ráno se jede"
Jo, to se jeví nedomyšlené, nezbyde asi než to napájet z DS nebo FVE před přepínačem, což je nevýhoda.
EDIT: řešitelné s drátem navíc :-/ - holt tam dovedu napájení z automatického přepínače sítí mezi měničem a rozvaděčem domu, tj. de facto L1, která jde do domu (jojo, tam mám pořád tu čínu, ale už snad půl roku nepřepínala). To, jak jsem to nakreslil původně, by mohlo znamenat i blbnutí EVSE kitu.
Chápu, západka se ale jeví rychlejší než stykač.
Re: Wallbox samodomo
mám to odzkoušený ve variantě s ovládáním 48V, možná jsem to nenapsal dost polopaticky. To funguje už snad šestej rok bez zaváhání.
nemám odzkoušený ovládání 230V, tj neplést pojem a průjem. Ale snad jsem nikde neudělal logickou chybu a bude to fungovat korektně.
Že se západka jeví rychlejší než stykač, bych skutečně nepovažoval za korektní technický řešení, máš mít blokování mechanicky a elektricky, a na to elektrický kašleš, když nejde o nic jinýho, než o pár červenejch drátků kolem stykačů...
nemám odzkoušený ovládání 230V, tj neplést pojem a průjem. Ale snad jsem nikde neudělal logickou chybu a bude to fungovat korektně.
Že se západka jeví rychlejší než stykač, bych skutečně nepovažoval za korektní technický řešení, máš mít blokování mechanicky a elektricky, a na to elektrický kašleš, když nejde o nic jinýho, než o pár červenejch drátků kolem stykačů...
Polostrovní FVE 8 kWp na severu jižní moravy. multiplus II 5000, osvětlení na DC, MPPT od Victronu. Dyibms na lifepo4 baterkách.
Re: Wallbox samodomo
Pokud nyní pominu záležitost časování západky/stykače, pak nerozumím, co míníš chybějícím elektrickým blokováním. Právě to jsem tam dodával pomocí relé, v nové verzi schématu označeno R1 a R2.
Nebo máš na mysli ještě něco jiného?
Jak jsem psal, v tom "mém" dvojstykači bohužel nejsou pomocné kontakty, tak jsem tam musel dodávat tu dvojici relé.
EDIT: Docvaklo mi, že pokud povedu L1 pro napájení "z domu" (tj. za čínským přepínačím, který mám za měniči), musím vést i N z napájení z domu.
Nebo máš na mysli ještě něco jiného?
Jak jsem psal, v tom "mém" dvojstykači bohužel nejsou pomocné kontakty, tak jsem tam musel dodávat tu dvojici relé.
EDIT: Docvaklo mi, že pokud povedu L1 pro napájení "z domu" (tj. za čínským přepínačím, který mám za měniči), musím vést i N z napájení z domu.
Nemáte oprávnění prohlížet přiložené soubory.
Re: Wallbox samodomo
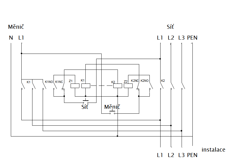
To jsem ale popleta. Schneider LC2DT25P7 MÁ pomocné kontakty NO i NC, takže jsem mohl realizovat klasický "kodlův" stykačomat se západkou bez nějakých pomocných relé.
Díky, kodl!
Je to tak 8x dražší než čínský přepínač, ale už bych neměnil.
Díky, kodl!
Je to tak 8x dražší než čínský přepínač, ale už bych neměnil.
Nemáte oprávnění prohlížet přiložené soubory.
Re: Wallbox samodomo
Pochopitelně by šlo vylepšit ještě podobným způsobem druhý stykač (náběžná hrana spouští stykač se západkou, sestupná hrana uvolňuje západku), ale to nechám na příště
, uvidíme, jak se ta krabice bude hřát.

Re: Wallbox samodomo
No sláva, první nabíjení
. Vidět to jet třífázově je dobrý pocit.
Bude ještě něco programování.
Je jasné, že ten výstupní stykač na konci je redundantní, šel by nahradit elektronikou ovládání onoho dvojstykače, ale takto je to prostě jednoduché a chodí to jako "blackbox" i bez PLC.

Bude ještě něco programování.
Je jasné, že ten výstupní stykač na konci je redundantní, šel by nahradit elektronikou ovládání onoho dvojstykače, ale takto je to prostě jednoduché a chodí to jako "blackbox" i bez PLC.
Nemáte oprávnění prohlížet přiložené soubory.